Autor Tema: apn 4 instalacija  (Posjeta: 9316 )

0 Članova i 1 Gost pregledava ovu temu.

Offline Damjan2101

  • Tomos Rider
  • Trade Count: (0)
  • Tomos Rider
  • *
  • Postova: 14
  • Spol: Muški
  • Apn 4MS 1981. godište
apn 4 instalacija
« : Siječanj 12, 2021, 00:02:20 »
  • 0
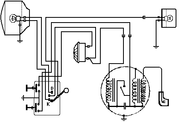
Zdravo da li neko ima iskustva sa instalacijom na tomosu,menjam kutiju prekidaca i hocu onda komplet instalaciju kad vec petljam tu,da li neko ima semu ili nesto sto bi mi pomoglo?

Offline Pišta

  • Tomos Rider
  • Trade Count: (1)
  • Trgovac
  • *
  • Postova: 783
  • Spol: Muški
Odg: apn 4 instalacija
« Odgovori #1 : Siječanj 12, 2021, 11:23:27 »
  • 0
Bez žmigavaca


Offline Damjan2101

  • Tomos Rider
  • Trade Count: (0)
  • Tomos Rider
  • *
  • Postova: 14
  • Spol: Muški
  • Apn 4MS 1981. godište
Odg: apn 4 instalacija
« Odgovori #2 : Siječanj 12, 2021, 14:38:26 »
  • 0
hvala ti puno,jel znas mozda gde su mu mase na ramu,mislim da mi je to trenutno problem i bice kad mu budem stavio novu instalaciju

Offline Pišta

  • Tomos Rider
  • Trade Count: (1)
  • Trgovac
  • *
  • Postova: 783
  • Spol: Muški
Odg: apn 4 instalacija
« Odgovori #3 : Siječanj 12, 2021, 15:31:03 »
  • 0
Kod prednjeg svjetla u samom svjetlu isto kao i na zadnjem.Probuši se rama,ovo je šema za 6v paljenje i masa je na samom paljenju,koju dobiva preko motora.12V paljenje ima malo drugačiju šemu zbog vanjske bobine.Kod stavljanja ploče paljenja treba paziti da se ne precvika crna žica i spoji na masu,ta žica služi za gašenje motora.Najbolje sa Ohm-metrom ispitati.

Offline sotarts

  • Tomos Rider
  • Trade Count: (23)
  • Trgovac
  • *
  • Postova: 6.224
  • Spol: Muški
Odg: apn 4 instalacija
« Odgovori #4 : Siječanj 12, 2021, 17:04:22 »
  • +1
kad već rastezes novu instalaciju povuci 1 zicu dodatnu tj masu za svitla i spoji na vidu kod makine i neće nikad zafrkavat
Žene imaju PROBLEM za svako rješenje!
- Stephen W. Hawking

http://www.tomos-riders.com/slike-vasih-tomosa/moj-moto-park/msg535518/#msg535518

Offline Damjan2101

  • Tomos Rider
  • Trade Count: (0)
  • Tomos Rider
  • *
  • Postova: 14
  • Spol: Muški
  • Apn 4MS 1981. godište
Odg: apn 4 instalacija
« Odgovori #5 : Siječanj 30, 2021, 15:32:43 »
  • 0


kome treba :palacgore:

Offline mile33

  • Tomos Rider
  • Trade Count: (0)
  • Trgovac
  • *
  • Postova: 195
Odg: apn 4 instalacija
« Odgovori #6 : Veljača 02, 2021, 13:59:01 »
  • 0
Jel prodaješ prekidač ili komplet s instalacijom?

Offline Damjan2101

  • Tomos Rider
  • Trade Count: (0)
  • Tomos Rider
  • *
  • Postova: 14
  • Spol: Muški
  • Apn 4MS 1981. godište
Odg: apn 4 instalacija
« Odgovori #7 : Veljača 04, 2021, 11:53:25 »
  • 0
ne,postavio sam sliku da vide ljudi gde se povezuje,al uglavnom ima da se poruci u kompletu ovako

Offline Dario1806

  • Tomos Rider
  • Trade Count: (0)
  • Trgovac
  • *
  • Postova: 78
  • Spol: Muški
Odg: apn 4 instalacija
« Odgovori #8 : Veljača 17, 2021, 15:25:11 »
  • 0
hvala ti puno,jel znas mozda gde su mu mase na ramu,mislim da mi je to trenutno problem i bice kad mu budem stavio novu instalaciju

masa mora valjat ako su vijčani spojevi korektni, a prekidač masu dobija preko vijaka koji drže prekidač na volan i gornji dio prekidača na donji.

A ako baš hoćeš pojačati onda direktiz zadnje i prednje lampe masu dovuci do spoja mašine na ramu, tamo malo obrusi i stavi žice na stopicu pa lijepo zašerafi
babbetta driver :D