Autor Tema: Blic pitanja  (Posjeta: 4733228 )

0 Članova i 4 Gostiju pregledava ovu temu.

Offline Calfo

  • Tomos Rider
  • Trade Count: (0)
  • Trgovac
  • *
  • Postova: 37
  • Spol: Muški
  • Tomos BT
Odg: Blic pitanja
« Odgovori #31920 : Kolovoz 31, 2014, 19:40:54 »
  • -2
Šta se desi ako stavljam 15w40 ulje umjesto dvotaktola u gorivo?stavim 3-4 posto

Mislim oce li to stetit motoru na nacin da se brze trosi cilindar,klip ili nesto gore

Offline silky

  • Tomos Rider
  • Trade Count: (15)
  • Trgovac
  • *
  • Postova: 2.285
  • Spol: Muški
  • a3ms, a3l/35
Odg: Blic pitanja
« Odgovori #31921 : Kolovoz 31, 2014, 19:43:05 »
  • +2
a što ima gore od toga, reci mi molim te  :lol:
Ima li umora?

Offline baja

  • Tomos Rider
  • Trade Count: (5)
  • Trgovac
  • *
  • Postova: 530
  • Spol: Muški
  • apn 4, 2x atx & yz 144
Odg: Blic pitanja
« Odgovori #31922 : Kolovoz 31, 2014, 19:47:47 »
  • 0
Šta se desi ako stavljam 15w40 ulje umjesto dvotaktola u gorivo?stavim 3-4 posto

Mislim oce li to stetit motoru na nacin da se brze trosi cilindar,klip ili nesto gore
možeš stavit za silu ako baš nemaš 2t ulje, nije preporučljivo, ali može  poslužit
ja sam stavio 10w40 u svoju yamahu yz i nije bilo ništa
Baja

skini s neta drivere za zvuk samo moraš znat koju imaš grafičku

Offline Marac031_PNJ

  • Tomos Rider
  • Trade Count: (4)
  • Trgovac
  • *
  • Postova: 3.704
  • Spol: Muški
  • APN6 Tuned
Odg: Blic pitanja
« Odgovori #31923 : Kolovoz 31, 2014, 19:49:53 »
  • 0
Možeš ali nećeš imat dobro sagorijevanje ulja, jedino je to mana, i ako imaš nešto niskoturažno tipa org automatik/apn, vrlo vjerojatno da će ti se auspuh štopat nakon nekog vremena.
Akuma no APN6!

Offline ivan.1234

  • Tomos Rider
  • Trade Count: (0)
  • Trgovac
  • *
  • Postova: 1.251
  • Spol: Muški
  • Apn 4
Odg: Blic pitanja
« Odgovori #31924 : Kolovoz 31, 2014, 20:30:23 »
  • 0
Šta se desi ako stavljam 15w40 ulje umjesto dvotaktola u gorivo?stavim 3-4 posto

Mislim oce li to stetit motoru na nacin da se brze trosi cilindar,klip ili nesto gore

hahah,moj frend se stalno s tim pelja,dimi jako i svječica se štopa uvjek(na svakoj vožnji mu se 2-3 put zaštopa  :lol: )
Cvik majstor :D

Offline tomozuki

  • Tomos Rider
  • Trade Count: (1)
  • Trgovac
  • *
  • Postova: 484
  • Spol: Muški
  • A3MS, A35S, A3SL, T-12 obnova, TGB 303r
Odg: Blic pitanja
« Odgovori #31925 : Kolovoz 31, 2014, 21:33:29 »
  • 0
ja sam neko vrijeme stavljao naftu umjesto ulja i svjecica se stopala konstantno dok se elektrode nisu rastalile i spojile..odonda iskljucivo 2taktno ulje i nista vise, ako nema ulja uopce ne vozim i to je to  :mrgreen:
TOMOS- u srcu ga furam, uz brdo ga guram

Offline Arny

  • Tomos Rider
  • Trade Count: (4)
  • Trgovac
  • *
  • Postova: 1.081
  • Spol: Muški
  • koza-rider
Odg: Blic pitanja
« Odgovori #31926 : Kolovoz 31, 2014, 22:39:07 »
  • 0
Naftu?! :shock:

Je li se na koji tomos ugrađivao dellorto 16, a ako ne, imaju li oni koji su se ugrađivali dovoljno velik difuzor da se može razbušit na 16?

Nu nu? :misli:
Arny
--
- Moja koza - 55 cm3
- MZ ETZ 250 projekt

Offline tomozuki

  • Tomos Rider
  • Trade Count: (1)
  • Trgovac
  • *
  • Postova: 484
  • Spol: Muški
  • A3MS, A35S, A3SL, T-12 obnova, TGB 303r
Odg: Blic pitanja
« Odgovori #31927 : Kolovoz 31, 2014, 22:55:51 »
  • 0
da nazalost, ali pametni uce na svojim greskama a glupi ih ponavljaju..ima svakakvih budala  :gy:
TOMOS- u srcu ga furam, uz brdo ga guram

Offline ROok1e

  • Tomos Rider
  • Trade Count: (2)
  • Trgovac
  • *
  • Postova: 366
  • Spol: Muški
Odg: Blic pitanja
« Odgovori #31928 : Kolovoz 31, 2014, 23:31:14 »
  • 0
Jel osigurač iglice mora bit tu polomljen
Šta mi je ovo čudno,vidio sam kod nekog Krle tako nešta ima nekakav citat od Marija nekog ko i ovaj ivan tomas a sto to,jel on neki vlasnik foruma i ako nije ko jest?  :mrgreen:

Offline kruckko

  • Tomos Rider
  • Trade Count: (4)
  • Trgovac
  • *
  • Postova: 852
  • Spol: Muški
  • Tomos A3 DMP 65cc
Odg: Blic pitanja
« Odgovori #31929 : Kolovoz 31, 2014, 23:37:08 »
  • 0
Ne
Citat: delboy1987;23186567
ja imam tomosa automatika klip 42 ide oko 93km/h sav je kromiran imam na njemu akrapovic auspuh bez njega ide 88km/h

Offline naskosjekirica2

  • Tomos Rider
  • Trade Count: (4)
  • Trgovac
  • *
  • Postova: 1.184
  • Spol: Muški
  • atx 90, atx kit, a3-a35 mix
Odg: Blic pitanja
« Odgovori #31930 : Rujan 01, 2014, 10:06:05 »
  • 0
mora biti tu polomljen jer kako bi se rasirio da nalegne na iglicu
skona

Offline duje4

  • Tomos Rider
  • Trade Count: (0)
  • Trgovac
  • *
  • Postova: 235
  • Spol: Muški
Odg: Blic pitanja
« Odgovori #31931 : Rujan 01, 2014, 12:31:16 »
  • 0
zanima me ako cilindar od tomos pumpe probijem na 70cc sta bi s time dobio i koliko mm treba ostati mesa kad probijem na 70,jer me je strah da cilindar nebi pukao od teperature
Prodajem  prednje vilice za bt-a.Info na broj 095 537 3303 ili na pm

Offline Marcelo_Maranzini

  • Tomos Rider
  • Trade Count: (0)
  • Trgovac
  • *
  • Postova: 70
  • Spol: Muški
Odg: Blic pitanja
« Odgovori #31932 : Rujan 01, 2014, 12:42:59 »
  • 0
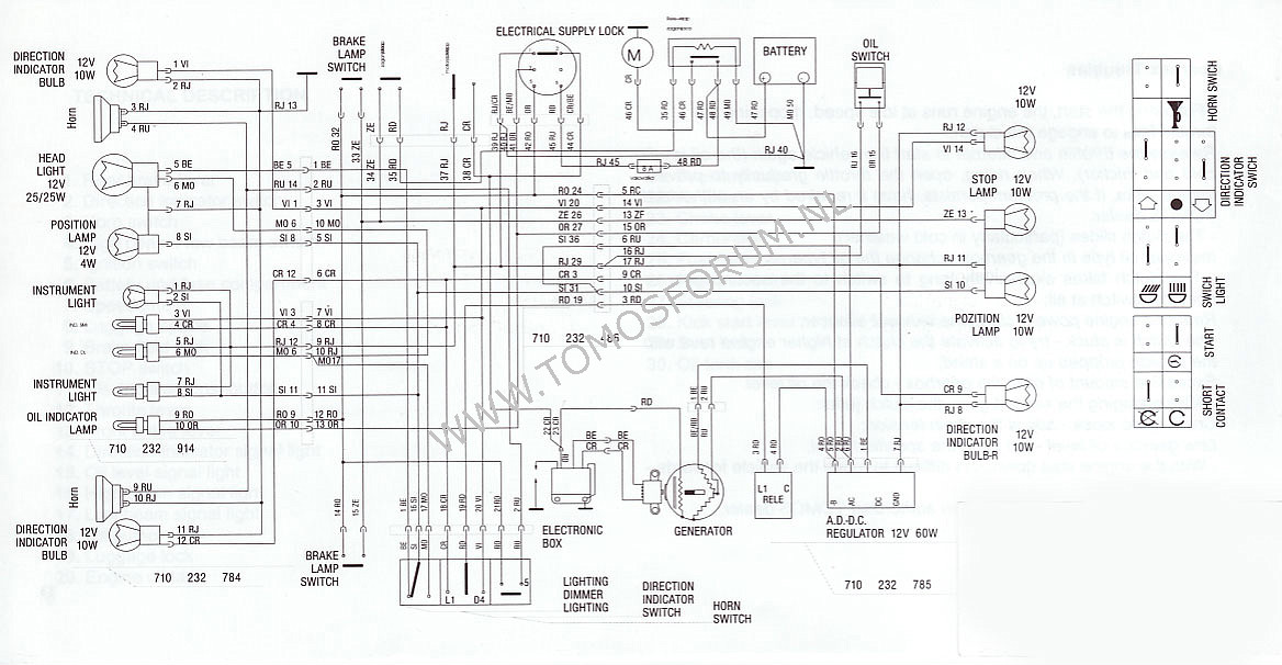
Regulator napona 12v kako se povezuje?

Tomos je fabrika, sve ostalo su radionice!
To je ubica kad napravi Slovenac i sve fenove (skutere) u gradu dere apeenac..

Offline kruckko

  • Tomos Rider
  • Trade Count: (4)
  • Trgovac
  • *
  • Postova: 852
  • Spol: Muški
  • Tomos A3 DMP 65cc
Odg: Blic pitanja
« Odgovori #31933 : Rujan 01, 2014, 12:56:52 »
  • 0
http://www.tomosforum.nl/uploads/images/images%20/explode/streetmate_manual/tomos_streetmate_workshop_manual_21.jpg

Ako motor nije streetmate ista ti je stvar,dole desno ti je regulator i pise ti slovima sta su 4 pina po redu
Citat: delboy1987;23186567
ja imam tomosa automatika klip 42 ide oko 93km/h sav je kromiran imam na njemu akrapovic auspuh bez njega ide 88km/h

Offline Marcelo_Maranzini

  • Tomos Rider
  • Trade Count: (0)
  • Trgovac
  • *
  • Postova: 70
  • Spol: Muški
Odg: Blic pitanja
« Odgovori #31934 : Rujan 01, 2014, 13:01:05 »
  • 0
Ovaj regler je za tomosa 12v 50w, koju god sijalicu stavim pregori, pa me zanima kako se povezuje zicama. Ovu semu sto si dao mnogo je komplikovana :D
Tomos je fabrika, sve ostalo su radionice!
To je ubica kad napravi Slovenac i sve fenove (skutere) u gradu dere apeenac..